MA series round body double action stainless steel Miniature pneumatic Air cylinder with magnetic
Order code
Symbol

Technical parameter
Bore size(mm)
16
20
25
32
40
Acting type
Double acting mini cylinders
Fluid
Air
Operating pressure
0.1~0.9MPa
Proof pressure
1.35MPa
Temperature ℃
-5~60
Cushion type
No cushion
Port size
M5
1/8”
Body material
Stainless Steel
Stroke
Bore size(mm)
Standard stroke(mm) for MA stainless steel mini cylinder
Max std stroke(mm)
Max Stroke(mm)
16
25 50 75 100 125 150 175 200
300
500
20
25 50 75 100 125 150 175 200 300
500
650
25
25 50 75 100 125 150 175 200 250 300
500
650
32
25 50 75 100 125 150 175 200 250 300
500
650
40
25 50 75 100 125 150 175 200 250 300
500
650
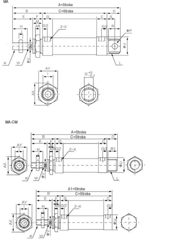
Dimension
Feature
.High precision chrome plated piston rod of MA round body min cylinder is wear-resistant and durable
.The two-way sealing design strengthens the sealing performance of the piston rod and has the function of oil storage
.The built-in magnetic ring in the air cylinder supports the installation of magnetic switch and bandage to adapt to a variety of working scenes.
.MA series pneumatic cylinder could adjust stroke.



